Colle en Ligne

Électrocinétique.

Approximation des régimes quasi-stationnaires

L'approximation des régimes quasi-stationnaires, ou ARQS, définit le cadre d'étude de l'électrocinétique courante. Concrètement, cette approximation consiste à négliger tout phénomène propagatif. Cela revient à avoir les temps caractéristiques de propagation \(\tau\) et de variation du système \(T\) qui vérifient :

$$ \tau \ll T $$

Cette approximation a pour conséquence l'absence d'accumulation de charges : l'intensité est la même en tout point d'une branche.

Une autre conséquence importante de l'ARQS est la loi des nœuds.

Loi des nœuds

La loi des nœuds consiste à dire que la somme algébrique (positif si orienté vers le nœud, négatif sinon) des courants dirigés vers un nœud est nulle.

$$ \sum_{k} i_k = 0 $$

avec \(i_k\) le courant algébriquement entrant dans le nœud depuis la branche \(k\).

Loi des mailles

La loi des mailles consiste à dire que la somme algébrique des tensions d'une maille (on définit un sens, si la flèche de la tension est dans le sens de rotation défini alors elle est comptée positivement, sinon elle est comptée négativement) est nulle.

$$ \sum_{k} u_k = 0 $$
La loi des mailles s'appuie sur le fait que la différence entre le potentiel d'un point et lui-même vaut 0. Ainsi, on exprime deux fois la même tension avec une sorte de théorème de Chasles, ce qui permet d'obtenir l'égalité des tensions.

Conventions

En électrocinétique, deux conventions sont utilisées pour décrire un dipôle : la convention récepteur et la convention générateur.

Un dipôle sera dit en convention générateur si l'intensité le parcourant et la tension à ses bornes sont dans le même sens. A contrario, il sera dit en convention récepteur.

On aura tendance à donner toujours les mêmes conventions à certains dipôles (résistance en convention récepteur, générateur en convention générateur...). On fera attention à ne pas se laisser abuser par les conventions.

Ce choix de convention a tout de même une conséquence importante : la puissance, qu'elle soit reçue ou cédée ainsi que la loi d'Ohm ne s'écrivent pas de la même manière suivant la convention.

Dipôles et lois

On étudie principalement trois dipôles, chacun caractérisé par une loi mettant en lien la tension à ses bornes et l'intensité qui le traverse.

Résistance

La loi d'Ohm donne :

$$ u = R\times i $$

L'énergie dissipée par une résistance s'écrit :

$$ \mathcal{E}_{\text{dissipée}} = Ri^2 = \frac{u^2}{R} $$

Condensateur

La loi du condensateur donne :

$$ i_C = C\frac{du_c}{dt} $$

L'énergie emmagasinée par le condensateur s'écrit :

$$ \mathcal{E}_{\text{emmagasinée}} = \frac{1}{2}Cu_c^2 $$

De là, comme l'énergie est une grandeur physiquement continue dans le temps (on ne peut pas instantanément créer ou détruire de l'énergie), la tension aux bornes du condensateur apparaît également comme une grandeur continue dans le temps.

Bobine

La loi de la bobine donne :

$$ u_L = L\frac{di}{dt} $$

L'énergie emmagasinée par la bobine s'écrit :

$$ \mathcal{E}_{\text{emmagasinée}} = \frac{1}{2}Li^2 $$

De là, comme l'énergie est une grandeur physiquement continue dans le temps (on ne peut pas instantanément créer ou détruire de l'énergie), l'intensité qui parcourt une bobine apparaît également comme une grandeur continue dans le temps.

Régimes transitoires

Un régime transitoire s'oppose à un régime permanent, il est la période de transition entre deux régimes permanents, du fait de la variation d'un paramètre extérieur. Les équations différentielles de chacun des circuits classiques sont obtenues par la même méthode :

Méthode
  1. Écrire la loi des nœuds.
  2. Remplacer les grandeurs avec les lois d'Ohm, du condensateur et de la bobine.
Circuit RC série

Le circuit RC série donne l'équation différentielle suivante :

$$ e = \underbrace{RC}_{\tau} \times \frac{du_c}{dt} + u_c $$
Circuit RL série

Le circuit RL série donne l'équation différentielle suivante :

$$ \frac{e}{R} = \underbrace{\frac{R}{L}}_{\tau} \times \frac{di}{dt} + i $$
Circuit RLC série

Le circuit RLC série donne l'équation différentielle suivante :

$$ \frac{e}{LC} = \frac{d^2u_c}{dt^2}+ \underbrace{\frac{R}{LC}}_{\frac{\omega_0}{Q}} \frac{du_c}{dt} + \underbrace{\frac{1}{LC}}_{\omega_0^2} u_c $$

Circuit RLC

On se place dans le régime libre, c'est-à-dire \(e=0\) et on travaille donc avec :

$$ \frac{d^2u_C}{dt^2} + \frac{\omega_0}{Q}\frac{du_C}{dt} + \omega_0^2 u_C = 0 $$

Pour résoudre l'équation différentielle précédente, on commence par regarder son équation caractéristique associée :

$$ x^2 + \frac{\omega_0}{Q}x + \omega_0^2 = 0 $$

On en calcule le discriminant \(\Delta = \left(\frac{\omega_0}{Q}\right)^2 - 4\omega_0^2 = \omega_0^2 \left(\frac{1}{Q^2}-4\right)\). On distingue donc trois cas, selon le signe du discriminant.

Cas 1 : Si \(\Delta > 0\)

C'est-à-dire si \(Q^2 > \frac{1}{4}\) ou encore \(Q > \frac{1}{2}\). Alors l'équation caractéristique a deux solutions :

$$ \omega_1 = \frac{-\omega_0}{2Q}+\frac{\omega_0 \sqrt{1-4Q^2}}{2Q} \qquad \omega_2 = \frac{-\omega_0}{2Q}-\frac{\omega_0 \sqrt{1-4Q^2}}{2Q} $$

La solution prend alors la forme suivante :

$$ u(t) = A\exp(\omega_1 t) + B\exp(\omega_2 t) $$

On sait que \(u\) est une fonction continue du temps, et que \(i = C\frac{du_c}{dt}\) l'est aussi, car c'est l'intensité qui traverse aussi la bobine. Alors, en prenant comme condition initiale \(u(0) = e\) et \(i(0)=0\), on trouve une fonction apériodique, d'où le nom du régime.

Cas 2 : Si \(\Delta = 0\)

C'est-à-dire si \(Q^2 = \frac{1}{4}\) ou encore \(Q = \frac{1}{2}\). Alors l'équation caractéristique a une unique solution :

$$ \omega = \frac{-\omega_0}{2Q} $$

La solution prend alors la forme suivante :

$$ u(t) = \exp(\omega t)(A+Bt) $$

On sait que \(u\) est une fonction continue du temps, et que \(i = C\frac{du_c}{dt}\) l'est aussi, car c'est l'intensité qui traverse aussi la bobine. Alors, en prenant comme condition initiale \(u(0) = e\) et \(i(0)=0\), on trouve une fonction apériodique qui croît plus vite que n'importe quelle autre fonction du régime apériodique, d'où le nom de régime apériodique critique.

Cas 2 : Si \(\Delta < 0\)

Alors, l'équation caractéristique a deux solutions complexes conjuguées \(\omega_1, \omega_2 \in\mathbb{C}\) et alors la tension est de la forme : \[ u(t) = e^{\alpha t}\left(C_1 \cos(\beta t) + C_2 \sin (\beta t)\right) \] avec \(\alpha = \mathcal(Re) (\omega_1)\) et \(\beta = \mathcal(Im) (\omega_1)\). En utilisant les conditions initiales, on déterminer les constantes \(C_1\) et \(C_2\), et on obtient une fonction sinusoïdale atténuée exponentiellement.
Ici, on a seulement résolu l'équation différentielle homogène. Cette partie de la solution (on rappelle que l'on obtient les solutions de l'équation différentielle complète en prenant une solution particulière en lui "additionnant" une solution de l'équation homogène) dicte le comportement transitoire du système. Une fois que le régime permanent sera atteint, le système obéira à l'excitation : ici, la tension sera directement liée à la tension d'excitation.

Exercices

Durée : 30 minutes
1. Rappeler la loi du condensateur.
2. En déduire son comportement en régime permanent. Représenter le circuit ci-contre en régime permanent.
3. Établir l’expression de la tension U en fonction de E uniquement (et par application d’une seule formule).
Circuit d'application
Durée : 30 minutes

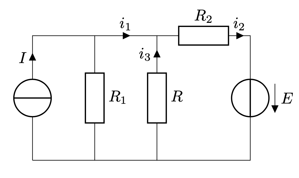
Les modèles de Thévenin et de Norton, plus précisément le passage d'un modèle à l'autre, est un outil très puissant pour la résolution de problèmes d'électrocinétique.


Circuit d'application

1. Exprimer \(u\) en fonction des autres paramètres dans le premier circuit.
2. Exprimer \(i\), puis \(u\) en fonction des autres paramètres dans le deuxième circuit. Dans l'expression de \(u\), à quoi est homogène le terme indépendant de \(i\) ?
3. Déterminer les valeurs de \(I_0\) et de \(R_2\) pour que \(u\) soit égale dans les deux circuits.

Cette transformation sert à passer, fictivement, d'un générateur de tension à un de courant, et inversement.

Application de l'équivalence.

On considère le circuit ci-joint. Déterminer, fort de ce qui précède, les valeurs de i₁, i₂ et i₃ en fonctions des autres paramètres.

Circuit d'application